cardine con cavallotto 100p

cardine con cavallotto 100p

0,00 €
Categoria: Ferramenta tags: Accessori
Condividi su:

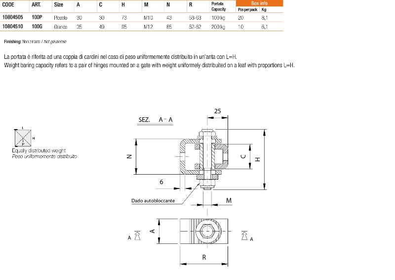
cardine con cavallotto 100p Prevista un'asola per la regolazione dell'anta • E' presente una zigrinatura per garantire un fissaggio più stabile

Hai già trovato l'offerta che cercavi?

Chiamaci subito o vieni a trovarci per non perdere l'occasione!